Reel Selector

Find your model with our interactive Reel Selector.

Reel Selector

Reels 101

Not sure what reel you need?

Learn more

Reel Selector

Find your model with our interactive Reel Selector.

Reel Selector

Reels 101

Not sure what reel you need?

Learn more

Reel Selector

Find your model with our interactive Reel Selector.

Reel Selector

Reels 101

Not sure what reel you need?

Learn more
  CALL SALES   CALL SALES

N700

Spring Rewind Reels

To handle 1/4" through 1/2" I.D. hose

Lubrication / Air / Water / Steam / Assembly Operations / Washdown / Air Tools / High Pressure / General Industrial Applications


  • Standard N Series has a narrow frame and compact mounting base.
  • Non-sparking ratchet assembly.
  • Declutching arbor to prevent damage from reverse winding.
  • Standard inlet: 90° balanced pressure swivel joint, 1/2" female NPT threads.
  • Standard outlet: 1/2" female NPT threads.
  • Standard pressures to 3000 psi (207 bar), available up to 10,000 psi (690 bar) – must specify.
  • Standard fluid temperatures from -40° F to +250 °F (-40° C to +121° C). Optional temperature ratings available - consult factory.
  • 4-way roller assembly.
  • SR and VR roller positions: swivel joint is standard on the right, TR roller positions: swivel joint is standard on the left. Optional configurations are available, must specify, click for more information.
  • Constant tension is available consult factory.


Models shown in image above: left SR roller position (standard), center TR roller position, right VR roller position


@ Email this page
Jump to:
Reel Capacity, Dimensions and Details
ISO Parts Drawing
Service Information
Videos

Reel Capacity, Dimensions and Details

Reel Capacity:

Show:


Rewind Option:

Show:

Measurements: Standard / Metric
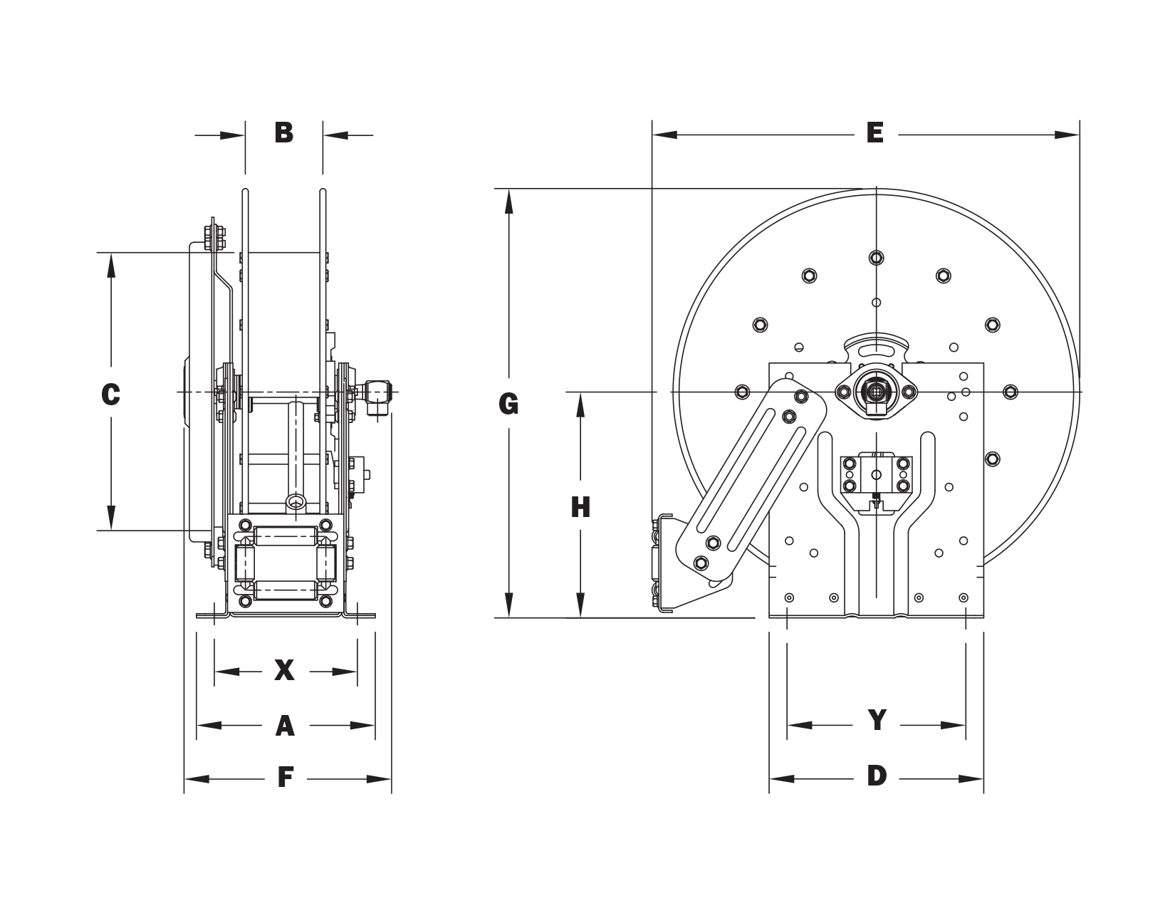
MODEL REEL CAPACITY (ft / lbs) REEL DIMENSIONS (inches)
Size Length Weight A B C D E F G H X Y Relative Size
N716-14-16-8C 3/8 ID 25 52 10 4 8 12 18.12 11.625 16.12 9.12 8 10
N716-14-16-8C 1/2 ID 25 52 10 4 8 12 18.12 11.625 16.12 9.12 8 10
N716-16-17-10.5C 3/8 ID 35 55 10 4 10.5 12 19 11.625 17 9.12 8 10
N716-16-17-10.5C 1/2 ID 35 55 10 4 10.5 12 19 11.625 17 9.12 8 10
N716-17-18-8L** 3/8 ID 50 55 10 4 8 12 19.5 11.625 17.38 9.12 8 10
N716-17-18-8L** 1/2 ID 50 55 10 4 8 12 19.5 11.625 17.38 9.12 8 10
N716-19-20-10.5J 3/8 ID 50 64 10 4 10.5 12 20.75 11.625 20 10.62 8 10
N716-19-20-10.5J 1/2 ID 50 64 10 4 10.5 12 20.75 11.625 20 10.62 8 10
N716-23-24-15.5J 3/8 ID 65 79 10 4 15.5 12 24 11.625 24 12.62 8 10
N716-23-24-15.5J 1/2 ID 65 79 10 4 15.5 12 24 11.625 24 12.62 8 10
N716-23-24-15.5G 1/4 ID 100 94 10 4 15.5 12 24 11.625 24 12.62 8 10
N716-23-24-15.5G 3/8 ID 75 94 10 4 15.5 12 24 11.625 24 12.62 8 10
N716-23-24-15.5G 1/2 ID 65 94 10 4 15.5 12 24 11.625 24 12.62 8 10
N716-25-26-15.5B 3/8 ID 75 90 10 4 15.5 12 25.5 11.625 26 13.62 8 10
N716-25-26-15.5B 1/2 ID 75 90 10 4 15.5 12 25.5 11.625 26 13.62 8 10
N718-25-26-15.5G 3/8 ID 100 96 12 6 15.5 12 25.5 13.625 26 13.62 10 10
N718-25-26-15.5G 1/2 ID 100 96 12 6 15.5 12 25.5 13.625 26 13.62 10 10
N718-25-26-15.5 SD 3/8 ID 100 104 12 6 15.5 12 25.5 14.38 26 13.62 10 10
N718-25-26-15.5 SD 1/2 ID 100 104 12 6 15.5 12 25.5 14.38 26 13.62 10 10
No results available based on the combination of filters chosen above. Please choose a different combination of Reel Capacity/Rewind Option to show more results.
  1. Specifications subject to change.
  2. Reel models and capacities shown are for standard drag applications; for vertical lift applications, consult factory.
  3. Other sizes, from standard components, available on request.
  4. Be sure to check dimensions and weights prior to ordering.

Note: A hose stop is necessary to keep spring from unwinding. A flexible connector must be used between the inlet pipe and the inlet swivel joint.

** Model N716-17-18-8L capacity based on low pressure air hose only. Not for vertical lift applications.

Videos

Hannay Reels N700 Series Spring Rewind Reels

Hannay Reels N700 Series Spring Rewind Reels

Request a Quote

To request a quote, simply complete the form below. It will then be quickly relayed to the person best able to assist you.

Please review our updated privacy policy containing details on how we collect and use your personal information.

Top