Reel Selector

Find your model with our interactive Reel Selector.

Reel Selector

Reels 101

Not sure what reel you need?

Learn more

Reel Selector

Find your model with our interactive Reel Selector.

Reel Selector

Reels 101

Not sure what reel you need?

Learn more

Reel Selector

Find your model with our interactive Reel Selector.

Reel Selector

Reels 101

Not sure what reel you need?

Learn more
  CALL SALES   CALL SALES

FF3600

For Industrial Fire Protection

To handle 1-1/2" I.D. booster hose


  • The reel can be installed on the floor or wall.
  • Steel construction is standard. Aluminum or stainless steel construction is available.   
  • Removable direct crank rewind.  
  • Supplied with spring actuated pinlock.   
  • Standard inlet, outlet riser, and hub assembly are steel (also available in stainless steel).   
  • Rollers and roller mounting brackets are accessory items. Specify roller position.  
  • Standard inlet: 1-1/2" 90° ball bearing swivel joint with 1-1/2" female NPT threads and 2" Victaulic® groove.  
  • Standard outlet: 1-1/2" male NST threads (1.990" x 9 threads per inch).  
  • Consult factory for other sizes and/or threads.  
  • Standard pressures to 600 psi (41 bar).   
  • Standard fluid temperatures from -20° F to +212 °F (-29° C to +100° C).
  • Consult factory for other pressures and temperatures.  
  • CAUTION: When using Niedner|Altra® hose, a special riser and/or larger drum diameter is required (consult factory).


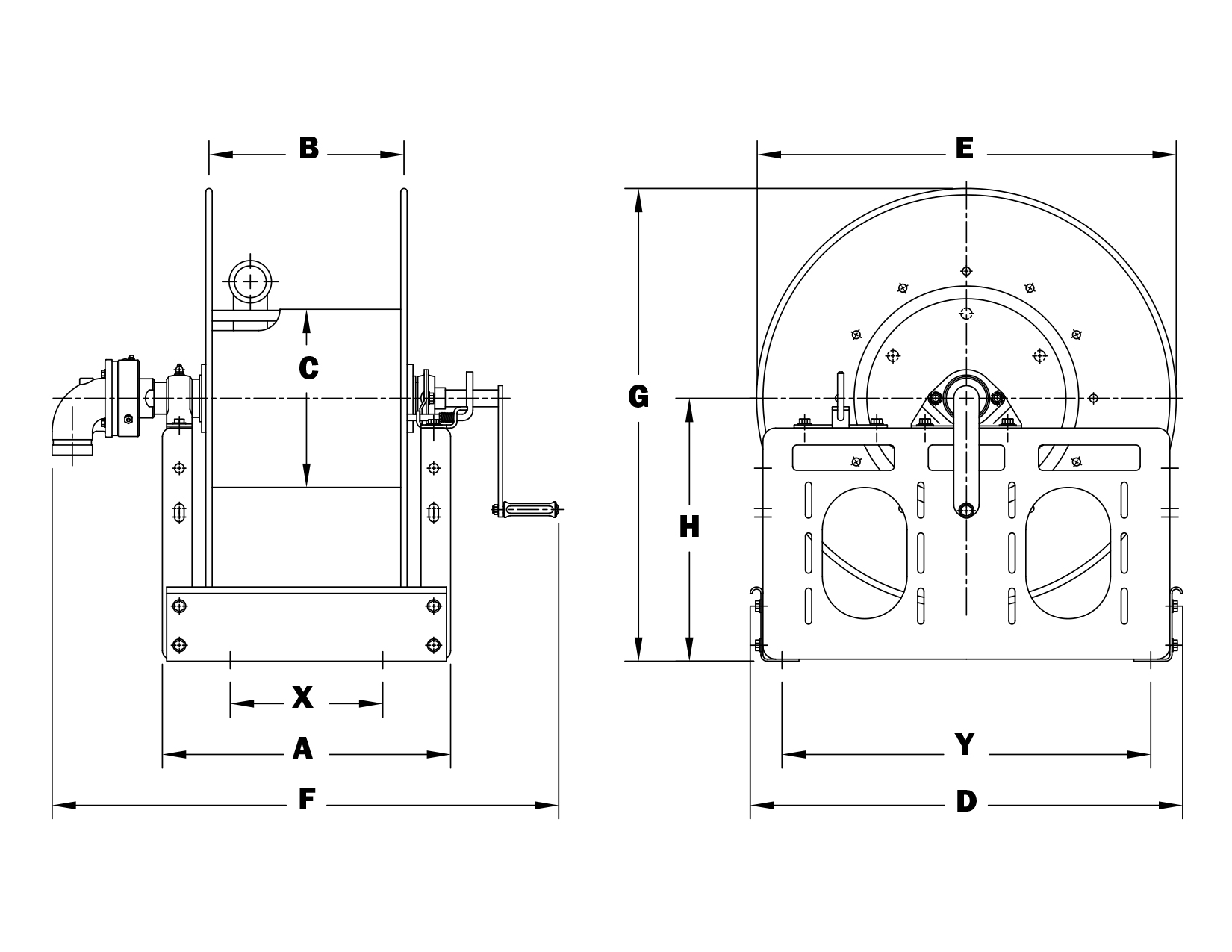
Model shown in image above represents standard configuration


@ Email this page
Jump to:
Reel Capacity, Dimensions and Details
ISO Parts Drawing
Service Information

Reel Capacity, Dimensions and Details

Reel Capacity:

Show:


Rewind Option:

Show:

Measurements: Standard / Metric
MODEL REEL CAPACITY (ft / lbs) REEL DIMENSIONS (inches)
Size Length Weight A B C D E F G H X Y Relative Size
FF3620-25-26-10.5 1-1/2 ID 50 104 17 11.5 10.5 25.5 24.75 30.75 27.88 15.5 9 21.75
FF3624-25-26-10.5 1-1/2 ID 75 113 21 15.5 10.5 25.5 24.75 34.75 27.88 15.5 13 21.75
FF3628-25-26-10.5 1-1/2 ID 100 123 25.5 20 10.5 25.5 24.75 39.25 27.88 15.5 17.5 21.75
FF3624-30-31-10.5 1-1/2 ID 100 124 21 15.5 10.5 25.5 28.75 34.75 30.38 15.5 13 21.75
FF3628-30-31-10.5 1-1/2 ID 150 134 25.5 20 10.5 25.5 28.75 39.25 30.38 15.5 17.5 21.75
FF3634-30-31-10.5 1-1/2 ID 200 147 31.5 26 10.5 25.5 28.75 45.25 30.38 15.5 23.5 21.75
No results available based on the combination of filters chosen above. Please choose a different combination of Reel Capacity/Rewind Option to show more results.
  1. Specifications subject to change.
  2. Upon request, reels can be supplied with drum lengths other than shown and with disc sizes in other diameters.
  3. Power rewind is not available on these models. See Series "F" or "FF".
  4. 4" clearance needed for crank handle removal.
  5. Be sure to check dimensions and weights prior to ordering.

Note: A flexible connector must be used between the inlet pipe and the inlet swivel joint.

Request a Quote

To request a quote, simply complete the form below. It will then be quickly relayed to the person best able to assist you.

Please review our updated privacy policy containing details on how we collect and use your personal information.

Top