Reel Selector

Find your model with our interactive Reel Selector.

Reel Selector

Reels 101

Not sure what reel you need?

Learn more

Reel Selector

Find your model with our interactive Reel Selector.

Reel Selector

Reels 101

Not sure what reel you need?

Learn more

Reel Selector

Find your model with our interactive Reel Selector.

Reel Selector

Reels 101

Not sure what reel you need?

Learn more
  CALL SALES   CALL SALES

DEF

Spring Rewind Reels

To handle 1/2", 3/4", or 1" I.D. hose for DEF (Diesel Exhaust Fluid)


  • Narrow frame and compact mounting base.
  • Non-sparking ratchet assembly.
  • Declutching arbor to prevent damage from reverse winding.
  • Standard inlet: 90° 304 stainless steel full-flow swivel with EPDM seals and
    available in 1/2", 3/4" or 1" female NPT threads.
  • Standard fluid path & outlet: 304 SST fluid path.
  • Standard outlets: 1/2", 3/4" or 1" female NPT threads.
  • Standard pressures to 2000 psi (138 bar).
  • Standard fluid temperatures from -65° F to +300 °F (-54° C to +149° C). Optional temperature ratings available - consult factory.
  • 4-way roller assembly.
  • SR and VR roller positions: swivel joint is standard on the right, TR roller positions: swivel joint is standard on the left. Optional configurations are available, must specify, click for more information.
  • Constant tension is available consult factory.


Model shown in image above represents optional TR configuration


@ Email this page
Jump to:
Reel Capacity, Dimensions and Details
ISO Parts Drawing
Service Information

Reel Capacity, Dimensions and Details

Reel Capacity:

Show:


Rewind Option:

Show:

Measurements: Standard / Metric
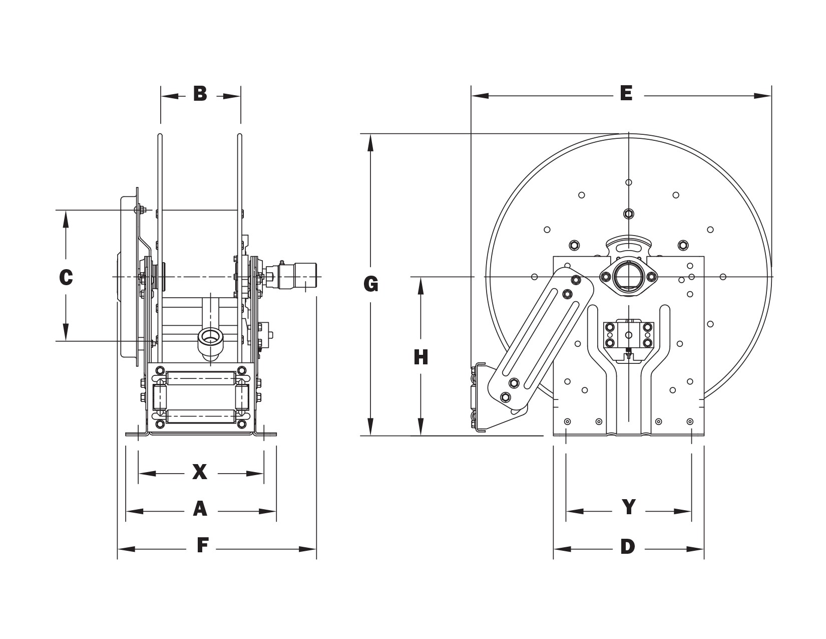
MODEL REEL CAPACITY (ft / lbs) REEL DIMENSIONS (inches)
Size Length Weight A B C D E F G H X Y Relative Size
DEF-N716-14-16-8C 1/2 ID 25 52 10 4 8 12 18.12 13 16.12 9.12 8 10
DEF-N716-19-20-10.5J 1/2 ID 50 64 10 4 10.5 12 20.75 13 20 10.62 8 10
DEF-N716-19-20-10.5J 3/4 ID 25 64 10 4 10.5 12 20.75 13 20 10.62 8 10
DEF-N716-25-26-15.5B 1/2 ID 75 90 10 4 15.5 12 25.5 13 26 13.62 8 10
DEF-N716-23 -24-10.5J 3/4 ID 50 79 10 4 10.5 12 24 13 24 12.62 8 10
DEF-N718-25-26-15.5B 3/4 ID 75 96 12 6 15.5 12 25.5 15 26 13.62 10 10
DEF-N816-23-24-10.5J 1 ID 25 87 10 4 10.5 12 24 14.125 24 12.62 8 10
DEF-N818-25-26-10.5B 1 ID 50 102 12 6 10.5 12 25.5 16.125 26 13.62 10 10
No results available based on the combination of filters chosen above. Please choose a different combination of Reel Capacity/Rewind Option to show more results.
  1. Specifications subject to change.
  2. Reels models and capacities shown are for standard drag applications; for vertical lift applications, consult factory.
  3. As of March 2023 new models numbers have been created. Please use new crossover model numbers when ordering:
    DEF-425 - use DEF-N716-14-16-8C
    DEF-450 - use DEF-N716-19-20-10.5J
    DEF-475 - use DEF-N716-25-26-15.5B
    DEF-625 - use DEF-N716-19-20-10.5J**
    DEF-650 - use DEF-N716-23 -24-10.5J**
    DEF-675 - use DEF-N718-25-26-15.5B**
    DEF-825 - use DEF-N816-23-24-10.5J
    DEF-850 - use DEF-N818-25-26-10.5B
    **Reel models for 3/4" ID hose will be supplied with 3/4" SST inlet adapter only. 
  4. Other sizes, from standard components, available on request.
  5. Be sure to check dimensions and weights prior to ordering.

Note: A flexible connector must be used between the inlet pipe and the inlet swivel joint.

Request a Quote

To request a quote, simply complete the form below. It will then be quickly relayed to the person best able to assist you.

Please review our updated privacy policy containing details on how we collect and use your personal information.

Top