Reel Selector

Find your model with our interactive Reel Selector.

Reel Selector

Reels 101

Not sure what reel you need?

Learn more

Reel Selector

Find your model with our interactive Reel Selector.

Reel Selector

Reels 101

Not sure what reel you need?

Learn more

Reel Selector

Find your model with our interactive Reel Selector.

Reel Selector

Reels 101

Not sure what reel you need?

Learn more
  CALL SALES   CALL SALES

1½"

Manual or Power Reels

To handle single 1-1/4" through 1-1/2" I.D. hose
Fuel Delivery / Refueling / Gas / Petroleum / Diesel


  • Gear-driven crank rewind or chain and sprocket drive powered by an electric, hydraulic, or compressed air motor.
  • Optional auxiliary crank rewind for power rewind reels.
  • Choose EP or EPJ option.
  • Comet brake standard on power rewind without auxiliary crank.
  • Standard inlet: 90° ball bearing swivel joint with 1-1/2" female NPT threads and 2" Victaulic® groove.
  • Standard outlet: 1-1/2" female NPT threads. Other sizes and/or threads can be furnished and must be specified.
  • Standard: inlet, outlet riser, and hub assembly are steel. Options: also available in aluminum or stainless steel.
  • Rollers and roller mounting brackets are accessory items. Specify roller position.
  • Chain guard is available upon request; must be specified.
  • Standard pressures to 600 psi (41 bar).
  • Standard fluid temperatures from -40° F to +400 °F (-40° C to +204° C).
  • Consult factory for other pressures and temperatures.


Models shown above represent standard configuration
Left: electric rewind (EPJ), Right: manual rewind


@ Email this page
Jump to:
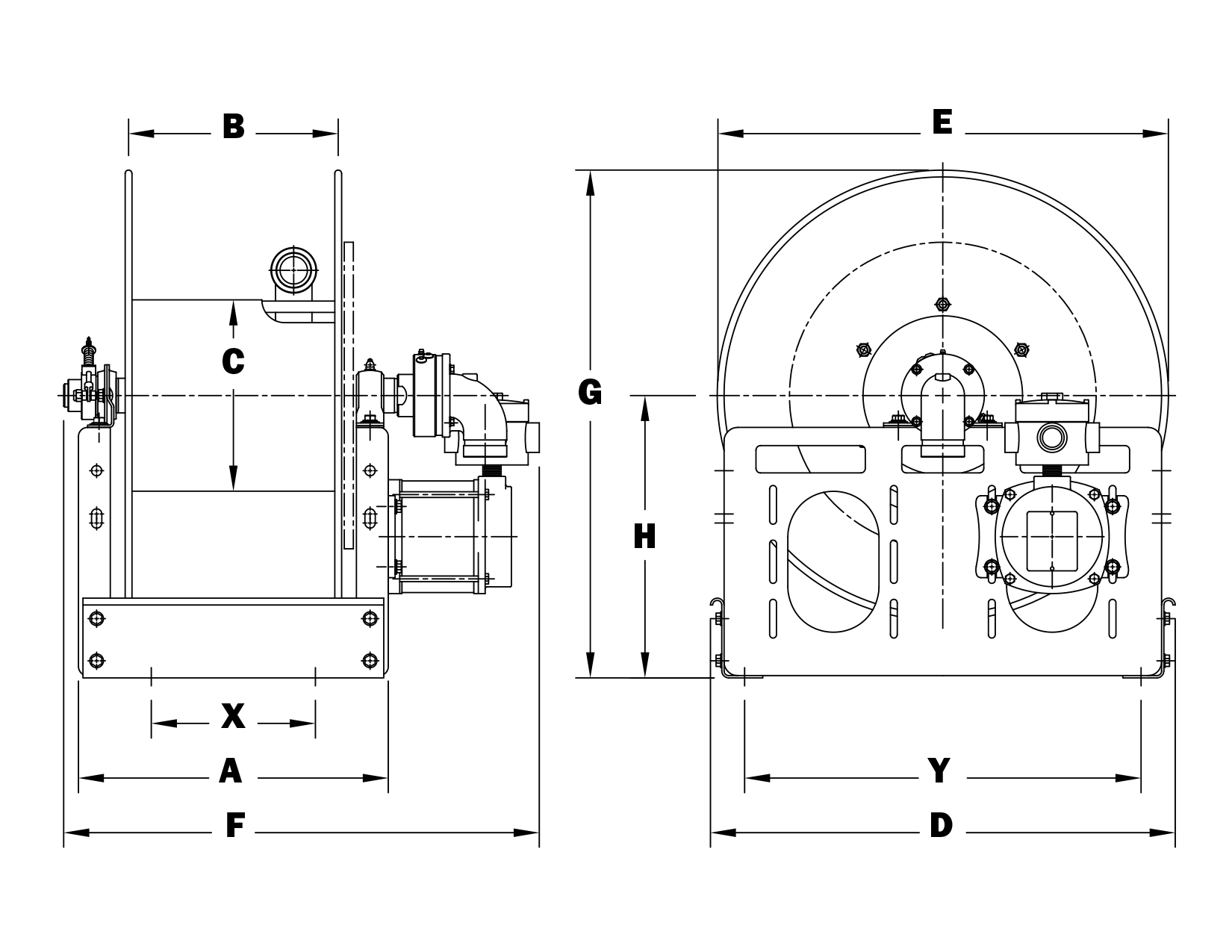
Reel Capacity, Dimensions and Details
ISO Parts Drawing
Service Information

Reel Capacity, Dimensions and Details

Reel Capacity:

Show:


Rewind Option:

Show:

Measurements: Standard / Metric
MODEL REEL CAPACITY (ft / lbs) REEL DIMENSIONS (inches)
Size Length Weight A B C D E F G H X Y Relative Size
26-19-21-10.5 1-1/4 ID 60 99 23 17.5 10.5 20.5 18.75 29.5 21.5 12.12 15 16.75
26-19-21-10.5 1-1/2 ID 50 99 23 17.5 10.5 20.5 18.75 29.5 21.5 12.12 15 16.75
32-19-21-10.5 1-1/4 ID 75 112 29.5 24 10.5 20.5 18.75 36 21.5 12.12 21.5 16.75
32-19-21-10.5 1-1/2 ID 75 112 29.5 24 10.5 20.5 18.75 36 21.5 12.12 21.5 16.75
40-19-21-10.5 1-1/4 ID 100 128 37.5 32 10.5 20.5 18.75 44 21.5 12.12 29.5 16.75
40-19-21-10.5 1-1/2 ID 100 128 37.5 32 10.5 20.5 18.75 44 21.5 12.12 29.5 16.75
24-23-24-10.5 1-1/4 ID 85 102 21 15.5 10.5 20.5 22.75 27.5 23.5 12.12 13 16.75
24-23-24-10.5 1-1/2 ID 50 102 21 15.5 10.5 20.5 22.75 27.5 23.5 12.12 13 16.75
32-23-24-10.5 1-1/4 ID 125 119 29.5 24 10.5 20.5 22.75 36 23.5 12.12 21.5 16.75
32-23-24-10.5 1-1/2 ID 75 119 29.5 24 10.5 20.5 22.75 36 23.5 12.12 21.5 16.75
38-23-24-10.5 1-1/4 ID 175 130 35 29.5 10.5 20.5 22.75 41.5 23.5 12.12 27 16.75
38-23-24-10.5 1-1/2 ID 100 130 35 29.5 10.5 20.5 22.75 41.5 23.5 12.12 27 16.75
20-25-26-10.5 1-1/4 ID 75 106 17 11.5 10.5 25.5 24.75 23.5 27.88 15.5 9 21.75
20-25-26-10.5 1-1/2 ID 60 106 17 11.5 10.5 25.5 24.75 23.5 27.88 15.5 9 21.75
24-25-26-10.5 1-1/4 ID 95 114 21 15.5 10.5 25.5 24.75 27.5 27.88 15.5 13 21.75
24-25-26-10.5 1-1/2 ID 75 114 21 15.5 10.5 25.5 24.75 27.5 27.88 15.5 13 21.75
28-25-26-10.5 1-1/4 ID 125 123 25.5 20 10.5 25.5 24.75 32 27.88 15.5 17.5 21.75
28-25-26-10.5 1-1/2 ID 100 123 25.5 20 10.5 25.5 24.75 32 27.88 15.5 17.5 21.75
16-30-31-10.5 1-1/4 ID 50 106 13 7.5 10.5 25.5 28.75 19.5 29.88 15.5 7.75 21.75
16-30-31-10.5 1-1/2 ID 50 106 13 7.5 10.5 25.5 28.75 19.5 29.88 15.5 7.75 21.75
20-30-31-10.5 1-1/4 ID 100 114 17 11.5 10.5 25.5 28.75 23.5 29.88 15.5 9 21.75
20-30-31-10.5 1-1/2 ID 75 114 17 11.5 10.5 25.5 28.75 23.5 29.88 15.5 9 21.75
22-30-31-10.5 1-1/4 ID 125 118 19 13.5 10.5 25.5 28.75 25.5 29.88 15.5 11 21.75
22-30-31-10.5 1-1/2 ID 100 118 19 13.5 10.5 25.5 28.75 25.5 29.88 15.5 11 21.75
28-30-31-10.5 1-1/4 ID 200 131 25.5 20 10.5 25.5 28.75 32 29.88 15.5 17.5 21.75
28-30-31-10.5 1-1/2 ID 150 131 25.5 20 10.5 25.5 28.75 32 29.88 15.5 17.5 21.75
24-33-34-10.5 1-1/4 ID 175 129 20.5 15.5 10.5 31.5 31.75 27.25 33.62 17.75 13 27.75
24-33-34-10.5 1-1/2 ID 150 129 20.5 15.5 10.5 31.5 31.75 27.25 33.62 17.75 13 27.75
A26-19-21-10.5 1-1/4 ID 60 119 23 17.5 10.5 20.5 18.75 31.88 21.5 12.12 15 16.75
A26-19-21-10.5 1-1/2 ID 50 119 23 17.5 10.5 20.5 18.75 31.88 21.5 12.12 15 16.75
A32-19-21-10.5 1-1/4 ID 75 132 29.5 24 10.5 20.5 18.75 38.38 21.5 12.12 21.5 16.75
A32-19-21-10.5 1-1/2 ID 75 132 29.5 24 10.5 20.5 18.75 38.38 21.5 12.12 21.5 16.75
A40-19-21-10.5 1-1/4 ID 100 158 37.5 32 10.5 20.5 18.75 46.38 21.5 12.12 29.5 16.75
A40-19-21-10.5 1-1/2 ID 100 158 37.5 32 10.5 20.5 18.75 46.38 21.5 12.12 29.5 16.75
A24-23-24-10.5 1-1/4 ID 85 122 21 15.5 10.5 20.5 22.75 29.88 23.5 12.12 13 16.75
A24-23-24-10.5 1-1/2 ID 50 122 21 15.5 10.5 20.5 22.75 29.88 23.5 12.12 13 16.75
A32-23-24-10.5 1-1/4 ID 125 139 29.5 24 10.5 20.5 22.75 38.38 23.5 12.12 21.5 16.75
A32-23-24-10.5 1-1/2 ID 75 139 29.5 24 10.5 20.5 22.75 38.38 23.5 12.12 21.5 16.75
A38-23-24-10.5 1-1/4 ID 175 150 35 29.5 10.5 20.5 22.75 43.88 23.5 12.12 27 16.75
A38-23-24-10.5 1-1/2 ID 100 150 35 29.5 10.5 20.5 22.75 43.88 23.5 12.12 27 16.75
A20-25-26-10.5 1-1/4 ID 75 126 17 11.5 10.5 25.5 24.75 25.88 27.88 15.5 9 21.75
A20-25-26-10.5 1-1/2 ID 60 126 17 11.5 10.5 25.5 24.75 25.88 27.88 15.5 9 21.75
A24-25-26-10.5 1-1/4 ID 95 134 21 15.5 10.5 25.5 24.75 29.88 27.88 15.5 13 21.75
A24-25-26-10.5 1-1/2 ID 75 134 21 15.5 10.5 25.5 24.75 29.88 27.88 15.5 13 21.75
A28-25-26-10.5 1-1/4 ID 125 143 25.5 20 10.5 25.5 24.75 34.38 27.88 15.5 17.5 21.75
A28-25-26-10.5 1-1/2 ID 100 143 25.5 20 10.5 25.5 24.75 34.38 27.88 15.5 17.5 21.75
A16-30-31-10.5 1-1/4 ID 50 126 13 7.5 10.5 25.5 28.75 21.88 29.88 15.5 7.75 21.75
A16-30-31-10.5 1-1/2 ID 50 126 13 7.5 10.5 25.5 28.75 21.88 29.88 15.5 7.75 21.75
A20-30-31-10.5 1-1/4 ID 100 134 17 11.5 10.5 25.5 28.75 25.88 29.88 15.5 9 21.75
A20-30-31-10.5 1-1/2 ID 75 134 17 11.5 10.5 25.5 28.75 25.88 29.88 15.5 9 21.75
A22-30-31-10.5 1-1/4 ID 125 138 19 13.5 10.5 25.5 28.75 27.88 29.88 15.5 11 21.75
A22-30-31-10.5 1-1/2 ID 100 138 19 13.5 10.5 25.5 28.75 27.88 29.88 15.5 11 21.75
A28-30-31-10.5 1-1/4 ID 200 151 25.5 20 10.5 25.5 28.75 34.38 29.88 15.5 17.5 21.75
A28-30-31-10.5 1-1/2 ID 150 151 25.5 20 10.5 25.5 28.75 34.38 29.88 15.5 17.5 21.75
A24-33-34-10.5 1-1/4 ID 175 149 20.5 15.5 10.5 31.5 31.75 29.63 33.62 17.75 13 27.75
A24-33-34-10.5 1-1/2 ID 150 149 20.5 15.5 10.5 31.5 31.75 29.63 33.62 17.75 13 27.75
EP26-19-21-10.5 1-1/4 ID 60 139 23 17.5 10.5 20.5 18.75 30.75 21.5 12.12 15 16.75
EPJ26-19-21-10.5 1-1/4 ID 60 139 23 17.5 10.5 20.5 18.75 32.25 21.5 12.12 15 16.75
EP26-19-21-10.5 1-1/2 ID 50 139 23 17.5 10.5 20.5 18.75 30.75 21.5 12.12 15 16.75
EPJ26-19-21-10.5 1-1/2 ID 50 139 23 17.5 10.5 20.5 18.75 32.25 21.5 12.12 15 16.75
EP32-19-21-10.5 1-1/4 ID 75 152 29.5 24 10.5 20.5 18.75 37.25 21.5 12.12 21.5 16.75
EPJ32-19-21-10.5 1-1/4 ID 75 152 29.5 24 10.5 20.5 18.75 38.75 21.5 12.12 21.5 16.75
EP32-19-21-10.5 1-1/2 ID 75 152 29.5 24 10.5 20.5 18.75 37.25 21.5 12.12 21.5 16.75
EPJ32-19-21-10.5 1-1/2 ID 75 152 29.5 24 10.5 20.5 18.75 38.75 21.5 12.12 21.5 16.75
EP40-19-21-10.5 1-1/4 ID 100 168 37.5 32 10.5 20.5 18.75 45.25 21.5 12.12 29.5 16.75
EPJ40-19-21-10.5 1-1/4 ID 100 168 37.5 32 10.5 20.5 18.75 46.75 21.5 12.12 29.5 16.75
EP40-19-21-10.5 1-1/2 ID 100 168 37.5 32 10.5 20.5 18.75 45.25 21.5 12.12 29.5 16.75
EPJ40-19-21-10.5 1-1/2 ID 100 168 37.5 32 10.5 20.5 18.75 46.75 21.5 12.12 29.5 16.75
EP24-23-24-10.5 1-1/4 ID 85 142 21 15.5 10.5 20.5 22.75 28.75 23.5 12.12 13 16.75
EPJ24-23-24-10.5 1-1/4 ID 85 142 21 15.5 10.5 20.5 22.75 30.25 23.5 12.12 13 16.75
EP24-23-24-10.5 1-1/2 ID 50 142 21 15.5 10.5 20.5 22.75 28.75 23.5 12.12 13 16.75
EPJ24-23-24-10.5 1-1/2 ID 50 142 21 15.5 10.5 20.5 22.75 30.25 23.5 12.12 13 16.75
EP32-23-24-10.5 1-1/4 ID 125 159 29.5 24 10.5 20.5 22.75 37.25 23.5 12.12 21.5 16.75
EPJ32-23-24-10.5 1-1/4 ID 125 159 29.5 24 10.5 20.5 22.75 38.75 23.5 12.12 21.5 16.75
EP32-23-24-10.5 1-1/2 ID 75 159 29.5 24 10.5 20.5 22.75 37.25 23.5 12.12 21.5 16.75
EPJ32-23-24-10.5 1-1/2 ID 75 159 29.5 24 10.5 20.5 22.75 38.75 23.5 12.12 21.5 16.75
EP38-23-24-10.5 1-1/4 ID 175 170 35 29.5 10.5 20.5 22.75 42.75 23.5 12.12 27 16.75
EPJ38-23-24-10.5 1-1/4 ID 175 170 35 29.5 10.5 20.5 22.75 44.25 23.5 12.12 27 16.75
EP38-23-24-10.5 1-1/2 ID 100 170 35 29.5 10.5 20.5 22.75 42.75 23.5 12.12 27 16.75
EPJ38-23-24-10.5 1-1/2 ID 100 170 35 29.5 10.5 20.5 22.75 44.25 23.5 12.12 27 16.75
EP20-25-26-10.5 1-1/4 ID 75 146 17 11.5 10.5 25.5 24.75 24.75 27.88 15.5 9 21.75
EPJ20-25-26-10.5 1-1/4 ID 75 146 17 11.5 10.5 25.5 24.75 26.25 27.88 15.5 9 21.75
EP20-25-26-10.5 1-1/2 ID 60 146 17 11.5 10.5 25.5 24.75 24.75 27.88 15.5 9 21.75
EPJ20-25-26-10.5 1-1/2 ID 60 146 17 11.5 10.5 25.5 24.75 26.25 27.88 15.5 9 21.75
EP24-25-26-10.5 1-1/4 ID 95 154 21 15.5 10.5 25.5 24.75 28.75 27.88 15.5 13 21.75
EPJ24-25-26-10.5 1-1/4 ID 95 154 21 15.5 10.5 25.5 24.75 30.25 27.88 15.5 13 21.75
EP24-25-26-10.5 1-1/2 ID 75 154 21 15.5 10.5 25.5 24.75 28.75 27.88 15.5 13 21.75
EPJ24-25-26-10.5 1-1/2 ID 75 154 21 15.5 10.5 25.5 24.75 30.25 27.88 15.5 13 21.75
EP28-25-26-10.5 1-1/4 ID 125 163 25.5 20 10.5 25.5 24.75 33.25 27.88 15.5 17.5 21.75
EPJ28-25-26-10.5 1-1/4 ID 125 163 25.5 20 10.5 25.5 24.75 34.75 27.88 15.5 17.5 21.75
EP28-25-26-10.5 1-1/2 ID 100 163 25.5 20 10.5 25.5 24.75 33.25 27.88 15.5 17.5 21.75
EPJ28-25-26-10.5 1-1/2 ID 100 163 25.5 20 10.5 25.5 24.75 34.75 27.88 15.5 17.5 21.75
EP16-30-31-10.5 1-1/4 ID 50 146 13 7.5 10.5 25.5 28.75 20.75 29.88 15.5 7.75 21.75
EPJ16-30-31-10.5 1-1/4 ID 50 146 13 7.5 10.5 25.5 28.75 22.25 29.88 15.5 7.75 21.75
EP16-30-31-10.5 1-1/2 ID 50 146 13 7.5 10.5 25.5 28.75 20.75 29.88 15.5 7.75 21.75
EPJ16-30-31-10.5 1-1/2 ID 50 146 13 7.5 10.5 25.5 28.75 22.25 29.88 15.5 7.75 21.75
EP20-30-31-10.5 1-1/4 ID 100 154 17 11.5 10.5 25.5 28.75 24.75 29.88 15.5 9 21.75
EPJ20-30-31-10.5 1-1/4 ID 100 154 17 11.5 10.5 25.5 28.75 26.25 29.88 15.5 9 21.75
EP20-30-31-10.5 1-1/2 ID 75 154 17 11.5 10.5 25.5 28.75 24.75 29.88 15.5 9 21.75
EPJ20-30-31-10.5 1-1/2 ID 75 154 17 11.5 10.5 25.5 28.75 26.25 29.88 15.5 9 21.75
EP22-30-31-10.5 1-1/4 ID 125 158 19 13.5 10.5 25.5 28.75 26.75 29.88 15.5 11 21.75
EPJ22-30-31-10.5 1-1/4 ID 125 158 19 13.5 10.5 25.5 28.75 28.25 29.88 15.5 11 21.75
EP22-30-31-10.5 1-1/2 ID 100 158 19 13.5 10.5 25.5 28.75 26.75 29.88 15.5 11 21.75
EPJ22-30-31-10.5 1-1/2 ID 100 158 19 13.5 10.5 25.5 28.75 28.25 29.88 15.5 11 21.75
EP28-30-31-10.5 1-1/4 ID 200 171 25.5 20 10.5 25.5 28.75 33.25 29.88 15.5 17.5 21.75
EPJ28-30-31-10.5 1-1/4 ID 200 171 25.5 20 10.5 25.5 28.75 34.75 29.88 15.5 17.5 21.75
EP28-30-31-10.5 1-1/2 ID 150 171 25.5 20 10.5 25.5 28.75 33.25 29.88 15.5 17.5 21.75
EPJ28-30-31-10.5 1-1/2 ID 150 171 25.5 20 10.5 25.5 28.75 34.75 29.88 15.5 17.5 21.75
EP24-33-34-10.5 1-1/4 ID 175 169 20.5 15.5 10.5 31.5 31.75 28.5 33.62 17.75 13 27.75
EPJ24-33-34-10.5 1-1/4 ID 175 169 20.5 15.5 10.5 31.5 31.75 30 33.62 17.75 13 27.75
EP24-33-34-10.5 1-1/2 ID 150 169 20.5 15.5 10.5 31.5 31.75 28.5 33.62 17.75 13 27.75
EPJ24-33-34-10.5 1-1/2 ID 150 169 20.5 15.5 10.5 31.5 31.75 30 33.62 17.75 13 27.75
HD26-19-21-10.5 1-1/4 ID 60 119 23 17.5 10.5 20.5 18.75 31.88 21.5 12.12 15 16.75
HD26-19-21-10.5 1-1/2 ID 50 119 23 17.5 10.5 20.5 18.75 31.88 21.5 12.12 15 16.75
HD32-19-21-10.5 1-1/4 ID 75 132 29.5 24 10.5 20.5 18.75 38.38 21.5 12.12 21.5 16.75
HD32-19-21-10.5 1-1/2 ID 75 132 29.5 24 10.5 20.5 18.75 38.38 21.5 12.12 21.5 16.75
HD40-19-21-10.5 1-1/4 ID 100 148 37.5 32 10.5 20.5 18.75 46.38 21.5 12.12 29.5 16.75
HD40-19-21-10.5 1-1/2 ID 100 148 37.5 32 10.5 20.5 18.75 46.38 21.5 12.12 29.5 16.75
HD24-23-24-10.5 1-1/4 ID 85 122 21 15.5 10.5 20.5 22.75 29.88 23.5 12.12 13 16.75
HD24-23-24-10.5 1-1/2 ID 50 122 21 15.5 10.5 20.5 22.75 29.88 23.5 12.12 13 16.75
HD32-23-24-10.5 1-1/4 ID 125 139 29.5 24 10.5 20.5 22.75 38.38 23.5 12.12 21.5 16.75
HD32-23-24-10.5 1-1/2 ID 75 139 29.5 24 10.5 20.5 22.75 38.38 23.5 12.12 21.5 16.75
HD38-23-24-10.5 1-1/4 ID 175 150 35 29.5 10.5 20.5 22.75 43.88 23.5 12.12 27 16.75
HD38-23-24-10.5 1-1/2 ID 100 150 35 29.5 10.5 20.5 22.75 43.88 23.5 12.12 27 16.75
HD20-25-26-10.5 1-1/4 ID 75 126 17 11.5 10.5 25.5 24.75 25.88 27.88 15.5 9 21.75
HD20-25-26-10.5 1-1/2 ID 60 126 17 11.5 10.5 25.5 24.75 25.88 27.88 15.5 9 21.75
HD24-25-26-10.5 1-1/4 ID 95 134 21 15.5 10.5 25.5 24.75 29.88 27.88 15.5 13 21.75
HD24-25-26-10.5 1-1/2 ID 75 134 21 15.5 10.5 25.5 24.75 29.88 27.88 15.5 13 21.75
HD28-25-26-10.5 1-1/4 ID 125 143 25.5 20 10.5 25.5 24.75 34.38 27.88 15.5 17.5 21.75
HD28-25-26-10.5 1-1/2 ID 100 143 25.5 20 10.5 25.5 24.75 34.38 27.88 15.5 17.5 21.75
HD16-30-31-10.5 1-1/4 ID 50 126 13 7.5 10.5 25.5 28.75 21.88 29.88 15.5 7.75 21.75
HD16-30-31-10.5 1-1/2 ID 50 126 13 7.5 10.5 25.5 28.75 21.88 29.88 15.5 7.75 21.75
HD20-30-31-10.5 1-1/4 ID 100 134 17 11.5 10.5 25.5 28.75 25.88 29.88 15.5 9 21.75
HD20-30-31-10.5 1-1/2 ID 75 134 17 11.5 10.5 25.5 28.75 25.88 29.88 15.5 9 21.75
HD22-30-31-10.5 1-1/4 ID 125 138 19 13.5 10.5 25.5 28.75 27.88 29.88 15.5 11 21.75
HD22-30-31-10.5 1-1/2 ID 100 138 19 13.5 10.5 25.5 28.75 27.88 29.88 15.5 11 21.75
HD28-30-31-10.5 1-1/4 ID 200 151 25.5 20 10.5 25.5 28.75 34.38 29.88 15.5 17.5 21.75
HD28-30-31-10.5 1-1/2 ID 150 151 25.5 20 10.5 25.5 28.75 34.38 29.88 15.5 17.5 21.75
HD24-33-34-10.5 1-1/4 ID 175 149 20.5 15.5 10.5 31.5 31.75 29.63 33.62 17.75 13 27.75
HD24-33-34-10.5 1-1/2 ID 150 149 20.5 15.5 10.5 31.5 31.75 29.63 33.62 17.75 13 27.75
No results available based on the combination of filters chosen above. Please choose a different combination of Reel Capacity/Rewind Option to show more results.
  1. Specifications subject to change.
  2. Upon request, reels can be supplied with drum lengths other than shown and with disc sizes in other diameters.
  3. Dimensions shown for reels up to and including 30-31 disc size reflect pressed frames. All others are roll-formed channel frames.
  4. When ordering power rewind models, prefix model number with:
    A = Air Rewind (supplied with control valve and 18" air hose)
    EP = Electric Rewind (1/2 HP) (12v and 24v DC supplied with non-explosion proof switch and solenoid, 115v AC is not supplied with switch, order separately).
    EPJ = Explosion Proof Electric Rewind (1/2 HP) (supplied with explosion proof switch, solenoid, and junction box)
    HD = Hydraulic Rewind (not supplied with control valve)
  5. For air rewind on models over 100 ft. of 1-1/2", consult factory.
  6. Be sure to check dimensions and weights prior to ordering.

Note: A flexible connector must be used between the inlet pipe and the inlet swivel joint.

Some models may require a different motor and/or clutch reduction unit depending on your application.

Request a Quote

To request a quote, simply complete the form below. It will then be quickly relayed to the person best able to assist you.

Please review our updated privacy policy containing details on how we collect and use your personal information.

Top